第四节 烧伤湿性医疗技术对表皮再生干细胞作用的研究报告
作者:中国中西医结合学会烧伤专业委员会 出版社:中国医药科技出版社 发行日期:2000年6月[摘要] 目的:探索烧伤湿性医疗技术于浅Ⅲ度烧伤时脂肪层烧伤创面自然修复的机制。方法:应用细胞免疫化学方法生物素-抗生物素蛋白(biotin-avidin)DCS体系间接免疫荧光技术。以小鼠抗人角蛋白19的单克隆抗体检测表皮再生干细胞。结果:烧伤后24h可见表皮再生干细胞出现。烧伤后4天表皮再生干细胞数量增多。
烧伤后7天和14天表皮再生干细胞数量最多。烧伤后21天和28天表皮再生干细胞减少。结论:烧伤湿性医疗技术对浅Ⅲ度烧伤残余组织中的再生表皮干细胞具有促进其激活和增生的作用。
[关键词] 烧伤 湿性医疗技术 表皮干细胞 细胞免疫化学
烧伤湿性医疗技术是烧伤治疗学上的具有创新性的治疗学术体系。目前已成功并普及推广的治疗技术为烧伤湿润暴露疗法与湿润烧伤膏。在临床上成功地解决了烧伤创面的疼痛、创面感染、创面的进行性坏死、烧伤深Ⅱ度创面的瘢痕愈合等四大国际烧伤难题。最近又取得了在Ⅲ度烧伤创面脂肪组织上再生皮肤的成果。深Ⅱ度烧伤和浅Ⅲ度烧伤使损伤的皮肤不再存留表皮基底层的干细胞。因此,使脂肪层烧伤创面自然修复的表皮再生干细胞的来源确实是值得深入研究的。
材 料 与 方 法
1. 取材 以下2例患者受伤后立即采用烧伤湿性医疗技术治疗。
第1例:6岁男孩,热水烫伤,背部、双下肢。烫伤面积达33%。深Ⅱ度烫伤。
第2例:24岁男性青年,火焰烧伤四肢。烧伤面积25%,深Ⅱ度、浅Ⅲ度烧伤。
以上2例于正常部位及伤后24h、4天、7天、14天、21天、28天患处取皮肤或组织,立即放入冻存管于液氮中保存。然后放入OCT冷冻剂复合物(Tissue-Tek OCT Compound)中包埋,于液氮中冷冻。恒冷箱冰冻切片,厚度10祄。
2. 生物素—抗生物素蛋白DCS体系间接免疫荧光染色 先将冰冻切片用10%的马血清于4℃孵育20min,然后滴加1:20稀释的小鼠抗人角蛋白19型单克隆抗体(第1抗体)4℃孵育过夜。切片在磷酸缓冲液中涮洗后加第2抗体,即7.5礸/ml生物素化的马抗小鼠IgG抗体(Vector Laboratories Burlingame, CA, USA),4℃孵育1h。涮洗后,加10礸/ml荧光素-抗生物素蛋白DCS(Vector Laboratories Burlingame, CA, USA)于4℃孵育1h。将切片涮洗干净后,用含10%PBS和1%对苯基二胺(P-phenylenediamine)的甘油做介质封片。对照染色切片,则不加第1抗体。标本在Olympus反射式荧光显微镜下观察,并用ASA400 KODAK胶卷照相。
结 果
用特异的小鼠抗人角蛋白19型的单克隆抗体(McAb)对正常和烧伤皮肤免疫细胞化学观察结果表明,两例正常皮肤表皮再生干细胞数量较少,可见少量显示荧光的表皮细胞再生干细胞(图5-4-1),即角蛋白19型阳性细胞。烧伤后24h,荧光显微镜下,显示荧光的表皮再生干细胞数量中等程度(图5-4-2),烧伤后4天,在汗腺、毛细血管和毛囊周围可见开始增多的潜在表皮干细胞(图5-4-3)。
烧伤后7天(图5-4-4),烧伤后14天(图5-4-5),在该两时间点镜下可见比烧伤后4天继续增多的表皮再生干细胞。潜在的再生干细胞即含人角蛋白19型细胞的数量达到烧伤疗程中的峰值(数量最多)。至烧伤后21天(图5-4-6)和28天(图5-4-7)两时间点潜在再生干细胞数量又减至一定的水平。观察中发现患者经湿性烧伤医疗技术治疗后,潜在再生干细胞的增生状态有一定的变化规律。潜在再生干细胞可能是表皮再生的干细胞的来源,这些在荧光显微镜下显示荧光的细胞是深Ⅱ度和浅Ⅲ度烧伤后还存在的潜在的表皮再生干细胞。这些细胞可使烧伤湿性医疗技术治疗的深Ⅱ度烧伤无瘢痕愈合,浅Ⅲ度烧伤皮肤再生。
讨 论
国际上对细胞周期的深入研究表明,细胞周期与生理性再生、创伤修复有密切的关系。有些细胞长期停滞于G0期或G1期,在一定条件下才出现增生活动。有些细胞可持续进行分裂活动,分裂后的部分子细胞分化为执行一定功能的成熟细胞,部分子细胞则一直保持连续增生能力,称干细胞。皮肤表皮基底层干细胞可不断进行分裂,新生的细胞向上方移动,在到达棘层深部时可再分裂二或三次,然后失去细胞分裂能力。
深Ⅱ度和浅Ⅲ度烧伤损伤了皮肤表皮和真皮深层,表皮基底层的干细胞全部受到破坏。残存于皮下组织的毛囊、汗腺,以及毛细血管周围的间充质细胞都有可能提供表皮再生的干细胞。由于这些再生干细胞能合成特有的细胞角蛋白(19型),所以可采用免疫细胞化学方法辨认这些细胞。我们的研究采用了抗人角蛋白19型单克隆抗体,应用生物素-抗生物素蛋白DCS体系间接免疫荧光技术,能够准确、特异地检测出深Ⅱ度和浅Ⅲ度烧伤后残存于皮下组织的表皮再生干细胞。经过烧伤湿性医疗技术治疗后,于烧伤后7天至14天阶段,潜在的再生干细胞即显示人角蛋白19型免疫组织化学标志物的细胞数量达到峰值。这些显示间接免疫荧光的细胞就是供脂肪层烧伤创面自然修复的表皮再生干细胞。由于烧伤湿润暴露疗法与湿润烧伤膏的治疗作用,可能激活了休眠状态的潜在的表皮再生干细胞的增生。这有力地保证了深Ⅱ度或浅Ⅲ度烧伤,经烧伤湿性医疗技术治疗后,达到烧伤创面自然修复、无瘢痕愈合的疗效。该技术解除了烧伤患者的瘢痕伴随终生的痛苦。
表皮再生干细胞在移动和进行细胞分裂后,发生合成其他类型角蛋白(9型和16型)的细胞,这些细胞仍有移动能力。然后,它们分裂增生成的细胞合成较硬的角蛋白(1型和10型),这是成熟的表皮细胞所含的典型角蛋白。由此体现了烧伤湿性医疗技术对表皮再生干细胞具有促进其激活和增生的作用。
研究表明细胞从静止期释放出来,首先被激活的周期蛋白就是cyclin D,只有受到生长因子刺激后,它才表达。真核细胞生物在细胞的G1期决定进入增生状态还是退出周期。G1期限制点的主要调控者是cyclin D1/CDK4复合体。为了深入研究烧伤湿性医疗技术疗效作用机制,我们将进一步探索表皮再生干细胞细胞周期的基因调控。

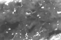
图5-4-1 正常皮肤、未见角蛋白19型阳性细胞 ×200

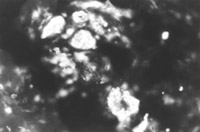
图5-4-2 经MEBT/MEBO治疗烧伤后 24h,可见中等程度蛋白19型阳性细胞 ×200

图5-4-3经MEBT/MEBO治疗烧伤后4天,角蛋白19型阳性细胞增多 ×200

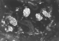
图5-4-4 经MEBT/MEBO治疗,烧伤后7天,角蛋白19型阳性细胞数量达峰值 ×200

图5-4-5 经MEBT/MEBO治疗,烧伤后14天,角质蛋白19型阳性细胞数量达峰值 ×200

图5-4-6 经MEBT/MEBO治疗,烧伤后21天,角蛋白19型阳性细胞减少 ×200

图5-4-7 经MEBT/MEBO治疗,烧伤后28天,角蛋白19型阳性细胞减少 ×200
图5-4-1图5-4-7均为应用小鼠抗人角蛋白19型单克隆抗体于冰冻切片染色(生物素-抗生物素蛋白DSC体系间接免疫荧光)照片。
(徐荣祥, 许增禄)









