第三节 烧伤湿性医疗技术对烧伤全厚皮(真皮)坏死创面皮肤 生理再生的组织学观察—典型病例介绍
作者:中国中西医结合学会烧伤专业委员会 出版社:中国医药科技出版社 发行日期:2000年6月患者李×× 女20岁 汽油烧伤35%TBSA(深Ⅱ度深型15% 浅Ⅲ度20%)。
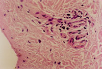
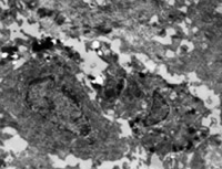
伤后12h急诊入院,检查双下肢为浅Ⅲ度烧伤。创面表皮已坏死剥脱,真皮层变性坏死呈蜡黄色和蜡白色相间(图5-3-1)。取局部组织做病理切片检查,显示上皮组织全层坏死,真皮层胶原纤维变性,结构紊乱,微循环瘀滞(图5-3-2)。
入院后立即用MEBO外涂保护创面,并行耕耘减张处理。伤后48h部分创面开始液化,伤后4天创面坏死组织已全部开始液化(图5-3-3)。每3~4h清除创面液化物一次并外涂MEBO。
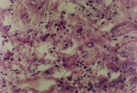
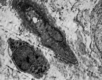
原位切取创面组织病理切片检查,见坏死上皮组织间有大量颗粒样组织,新生上皮细胞和胶原纤维组织呈团样增生,并可见到典型的类似于胎儿皮肤结构的皮肤胚胎基(embryonic base,EB)(图5-3-4a,5-3-4b)。MEBT治疗10天后,在创面边缘取上皮组织病理切片可见到较原始的上皮组织。
MEBT治疗20天,深度创面处组织切片可见新生较完整的复层鳞状上皮组织,表皮层细胞形态已经趋于正常,真皮层胶原纤维细胞和微血管形态已经出现。
治疗30天后,创面上皮组织再生修复良好(图5-3-5),皮肤结构已经基本正常(图5-3-6)。
1. 组织化学及免疫组织化学染色检查 MEBT/MEBO治疗20天后创面组织化学染色,上皮组织和皮下组织中胶原纤维清晰可见。
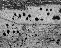
嗜银染色,显示网状纤维再生活跃。皮下组织小血管周围网状纤维组织比较正常。基底层活跃再生(图5-3-7~5-3-8)。
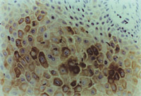
MEBT/MEBO治疗30天后,再生修复的上皮组织进行细胞角质素AE3检查为阳性,表皮颗粒层细胞质呈棕色染色,细胞核呈蓝色(图5-3-9~5-3-6),证实为自身再生的复层鳞状上皮。
AE1染色腺上皮蛋白阴性。此现象考虑为汗腺上皮细胞已转化为表皮干细胞(图5-3-11)。
2. 电镜观察 受伤当日上皮组织变性坏死,可见单核细胞核偏移、固缩,并有吞噬现象(图5-3-12)。
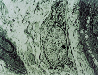
经MEBT/MEBO治疗5天,可见创面纤维细胞,成纤维细胞生长比较活跃(图5-3-13)。
经MEBT/MEBO治疗10天,创面组织切片可见表皮棘层棘细胞出现并有桥粒连接(图5-3-14~5-3-15)。颗粒层颗粒细胞出现。在基底细胞层可见黑色素小体(图5-3-6~5-3-17)。并可见小血管周围的吞噬细胞有吞噬现象(图5-3-18),说明其功能也已经在恢复。
经MEBT/MEBO治疗20天,电镜观察到基底细胞层与纤维母细胞之间的半桥粒连接,同时可见纤维母细胞内粗面内质网结构和线粒体增生活跃(图5-3-19~5-3-21)。 MEBT/MEBO治疗30天后,上皮组织再生修复,已基本完成,创面组织切片显示胶原纤维成熟,排列整齐(图5-3-22),直径为0.1~0.5祄,并可见明暗相间周期性横纹(64nm),未见到胶原纤维扭曲和呈旋涡、菜花等病理形态。
创面愈合后下肢功能锻炼,创面继续外用MEBO作润肤油使用。伤后45天痊愈出院。

5-3-1 李某 女 20岁,汽油烧伤35%TBSA (深Ⅱ°深型15%,浅Ⅲ°20%)

5-3-2 上皮组织全层坏死,胶原纤维变性,微循环瘀滞 HE×20

5-3-3 伤后4天,创面在MEBO作用下进入液化期,创面皮肤组织开始再生

5-3-4a 新生上皮组织和胶原纤维增生,可见典型EB(皮肤胚胎基) HE×40

5-3-4b 新生上皮组织中可见微血管,胶原纤维和上皮细胞(干细胞)形成的皮肤胚胎基组织 HE×40

5-3-5 MEBT/MEBO治疗30天,创面皮肤再生修复良好

5-3-6 治疗30天后的创面其表皮组织,真皮组织结构已呈生理状态 HE×20
(组织化学嗜银染色)

5-3-7 MEBT/MEBO治疗20天,表皮基底层,基底膜再生活跃 HE×20

5-3-8 同上,真皮层小血管周围网状纤维呈黑色染色 HE×40
(免疫组织化学染色)

5-3-9 MEBT/MEBO治疗30天,细胞角质素AE3呈阳性。(说明患者烧伤创面是自我再生修复) HE×20

5-3-10 同上 HE×40

5-3-11 AE1染色。腺上皮蛋白阴性 HE×20
电镜观察

5-3-12 烧伤当日,单核细胞核偏移,固缩,并有吞噬现象 TE×8000

5-3-13 MEBT/MEBO治疗5天,成纤维细胞生长活跃 TEM×2000

5-3-14 MEBT/MEBO治疗20天,4个棘细胞的桥粒连接 TEM×3500

5-3-15 桥粒结构 TEM×20000

5-3-16 颗粒细胞 TEM×3500

5-3-17 基底细胞层(黑色素小体) TEM×6000

5-3-18 吞噬细胞活跃 TEM×6000

5-3-19 MEBT/MEBO治疗20天,示纤维母细胞,及与基底膜半桥粒连接的上皮细胞 TEM×3000

5-3-20 粗面内质网结构和线粒体增生活跃 TEM×17000

5-3-21 同上 TEM×20000

5-3-22 MEBT/MEBO治疗30天,整齐排列的胶原纤维,纤维均匀一致直 径 0.1~0.5祄,有明暗相间的周期性横纹(64nm)









